白炭黑專用噴霧干燥機
白炭黑是白色粉末狀X-射線無定形硅酸和硅酸鹽產品的總稱,主要是指沉淀二氧化硅、氣相二氧化硅和超細二氧化硅凝膠,也包括粉末狀合成硅酸鋁和硅酸鈣等。白炭黑是多孔性物質,其組成可用SiO2·nH2O表示,其中nH2O是以表面羥基的形式存在。能溶于苛性堿和氫氟酸,不溶于水、溶劑和酸(氫氟酸除外)。耐高溫、不燃、無味、無嗅、具有很好的電絕緣性。
產品介紹
??噴霧干燥是液體工藝成形和干燥工業中較廣泛應用的工藝。特別適用于從溶液、懸浮液和糊狀液體原料中生成粉狀、顆粒狀固體產品。因此,當成品的顆粒大小分布、殘留水份含量、堆積密度和顆粒形狀的標準時,噴霧干燥是一道較好的工藝。
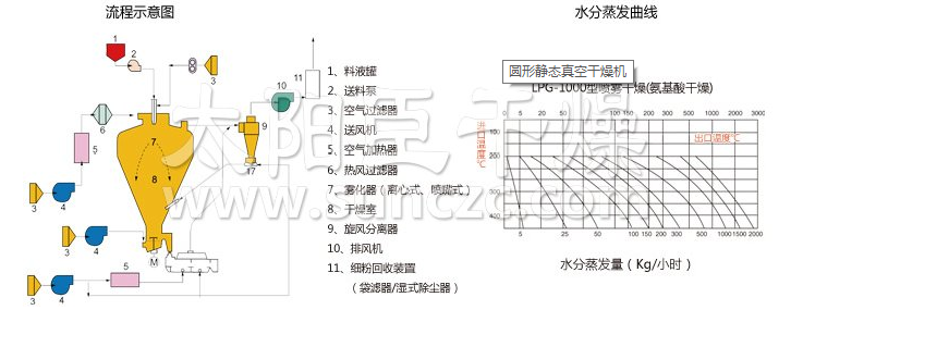
工作原理
?? 空氣經過濾和加熱,進入干燥器頂部空氣分配器,熱空氣呈螺旋狀均勻地進入干燥室。料液經塔體頂部的高速離心霧化器,(旋轉)噴霧成極細微的霧狀液珠,與熱空氣并流接觸在極短的時間內可干燥為成品。成品連續地由干燥塔底部和旋風分離器中輸出,廢氣由風機排空。
性能特點
◎干燥速度快,料液經霧化后表面積大大增加,在熱風氣流中,瞬間就可蒸發95%-98%的水份,完成干燥時間僅需數秒鐘,特別適用于熱敏性物料的干燥。
◎產品具有良好的均勻度、流動性和溶解性,產品純度高,質量好。
◎生產過程簡化,操作控制方便。對于含濕量40-60%(特殊物料可達90%)的液體能一次干燥成粉粒產品,干燥后不需粉碎和篩選,減少生產工序,提高產品純度。對產品粒徑,松密度,水份,在一定范圍內可通過改變操作條件進行調整,控制和管理都很方便。
適應物料
化學工業: 氟化鈉(鉀)、堿性染料顏料、染料中間體、復合肥、甲醛硅酸、催化劑、硫酸劑、氨基酸、白炭黑等。
塑料樹脂:AB,ABS乳液、尿醛樹脂、酚醛樹脂、密膠(脲)甲醛樹脂、聚乙烯、聚氯乙烯等。
食品工業:富脂奶粉、胳朊、可可奶粉、代乳粉、獵血粉、蛋清(黃)等。
食物及植物:燕麥、雞汁、咖啡、速溶茶、調味香料肉、蛋白質、大豆、花生蛋白質、水解物等。
糖類: 玉米漿、玉米淀粉、葡萄糖、果膠、麥芽糖、山梨酸鉀等。
陶瓷:氧化鋁、瓷磚材料、氧化鎂、滑石粉等。

技術規格

上一篇:直接黑19耙式干燥機
下一篇:尿醛樹脂噴霧干燥塔
